Arnold Fabrikanlage 6821 neuer Antrieb für Nockenscheibe



Bei Kleinanzeigen.de konnte ich günstig eine Arnold Fabrikanlage 6821 erwerben. Sie war schon fertig zusammengebaut. Nur der Antrieb der Nockenscheibe für die Kipplorenentladung funktionierte nicht richtig. Ich weiß auch nicht, was sich Arnold dabei gedacht hat, der Antrieb besteht nur aus einer Magnetspule, die einen gefederten Hebel anzieht. Arnold nennt es Schwingankermotor. Jedenfalls habe ich noch an der Feder des Hebels herumgebogen, aber selbst wenn die Nockenscheibe in Drehung versetzt wurde, hatte sie nicht genug Kraft, um die Lore zu entleeren. Da mußte ein besserer, zuverlässiger Antrieb her. Das Ergebnis sieht jetzt so aus :







Die Blechplatte des Schwingankermotors habe ich entfernt. Auf einer Messingplatte wurde der neue Antrieb aufgebaut. Der Antrieb besteht aus einem Getriebemotor (ca. 30 Umdrehungen bei 3V, gibt es z.B. bei Ebay).



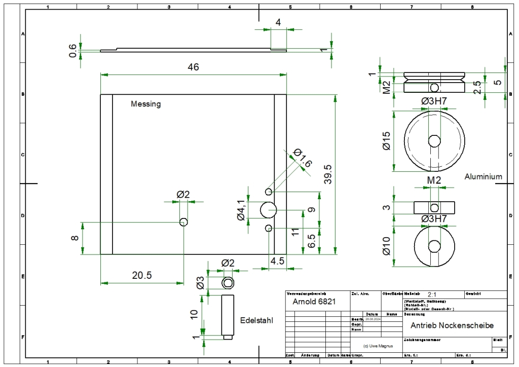
Hier eine Zeichnung der benötigten Teile :



Die 1mm dicke Messingplatte wird an den Rändern flacher gefräst, um unter die Kunststoffhalterungen zu passen. Für die Nockenscheibe wird ein Edelstahlstift (z.B. ein Zylinderstift DIN 7) eingenietet, dazu den 2mmm Absatz des Stiftes unten mit einem 1,5mm Bohrer ansenken. Das 2mm Loch in der Messingplatte auf der Unterseite ebenfalls ansenken. Den Stift in die Messingplatte stecken und mit einem Körner in die Senkung des Stiftes schlagen, um sie aufzuweiten und den Stift dadurch zu vernieten. In die Nut der 15mm Antriebssscheibe wird ein O-Ring mit 14mm Innendurchmesser und einer Wandstärke von 1,5mm gelegt. Mittels einer Madenschraube M2x4 wird die Antriebsscheibe auf der Motorwelle befestigt. Ebenso wird die Scheibe, die ein Hochlaufen der Nockenscheibe verhindert, auf dem Stift befestigt. Um das ganze zu montieren am besten wie folgt verfahren : die Messingplatte mit dem eingenieteten Stift in den Sockel der Fabrikanlage einschieben. Dann die Löcher 1,6mm und 4,1mm durch die Messingplatte in den Sockel bohren. Jetzt kann von der Unterseite des Sockels der Motor eingesetzt und mit 2 M1,6 Schrauben befestigt werden. Fehlt noch die Spannungsversorgung des Motors. Da bei der Fabrikanlage alles mit Wechselspannung betrieben wird, habe ich eine kleine Schaltung auf einer Lochrasterplatine aufgebaut. Hier die Schaltung :



Die Wechselspannung wird an einen DIL Gleichrichter angeschlossen. Dahinter ist ein Elko (C1, 470uF/25V), dann ein 3,3V Spannungsregler (IC1 NCP1117-3.3 von ON Semiconductor, der verträgt auch 20 Volt Eingangsspannung). Dann folgt der Ausgangskondensator C2 (100uF/16V). Dort wird dann der Motor angeschlossen (Polung so, daß die Nockenscheibe sich entgegen des Uhrzeigersinns dreht).