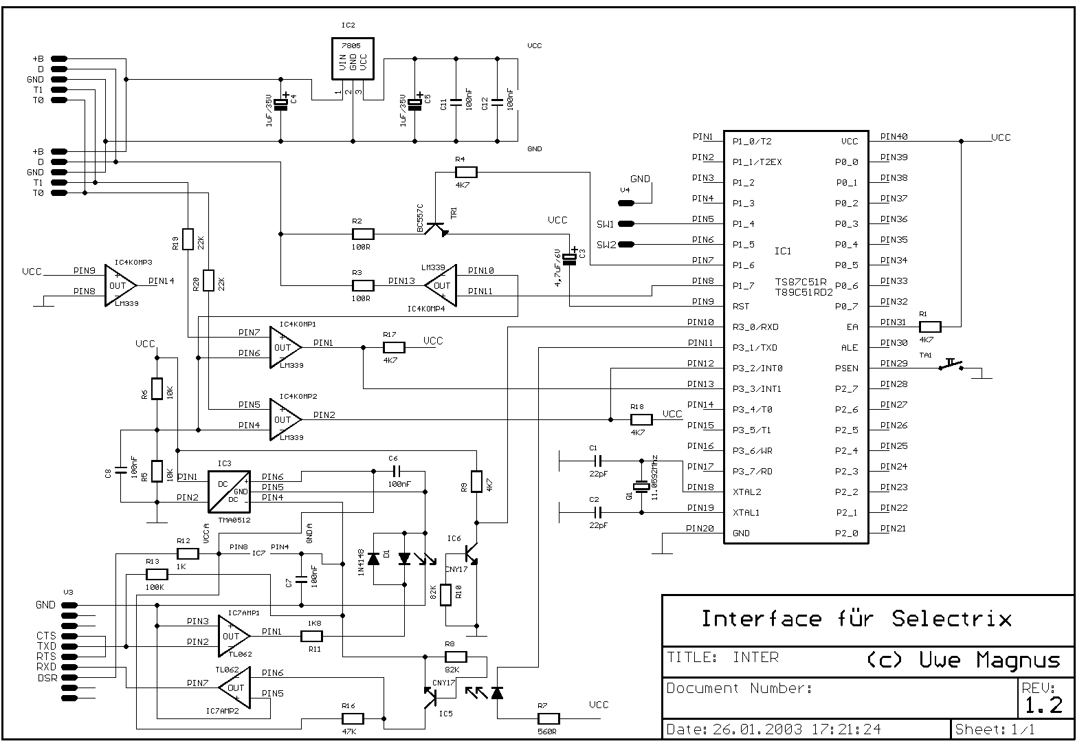
Schaltplan Interface



Schaltplan Interface

zurück