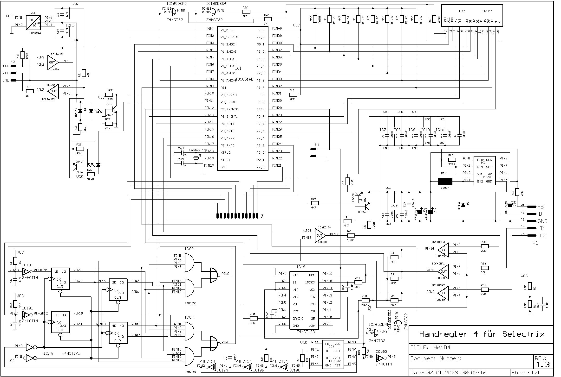
Handregler 4 Prozessor/SX - Bus



Schaltplan Handregler 4 Prozessor/SX - Bus

zurück