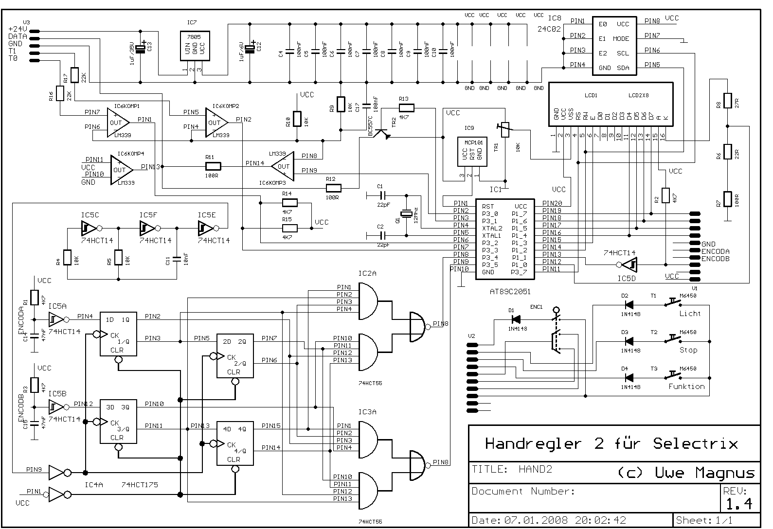
Schaltplan Handregler 2



Schaltplan Handregler 2

zurück