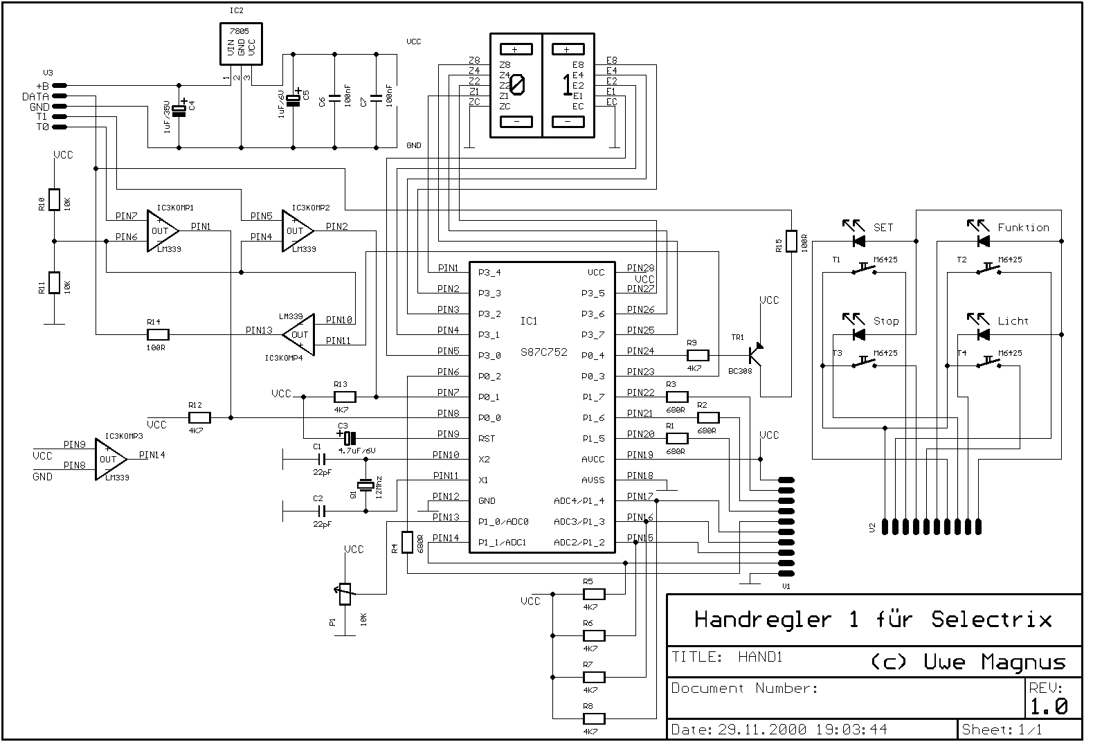
Schaltplan Handregler 1



Schaltplan Handregler 1

zurück