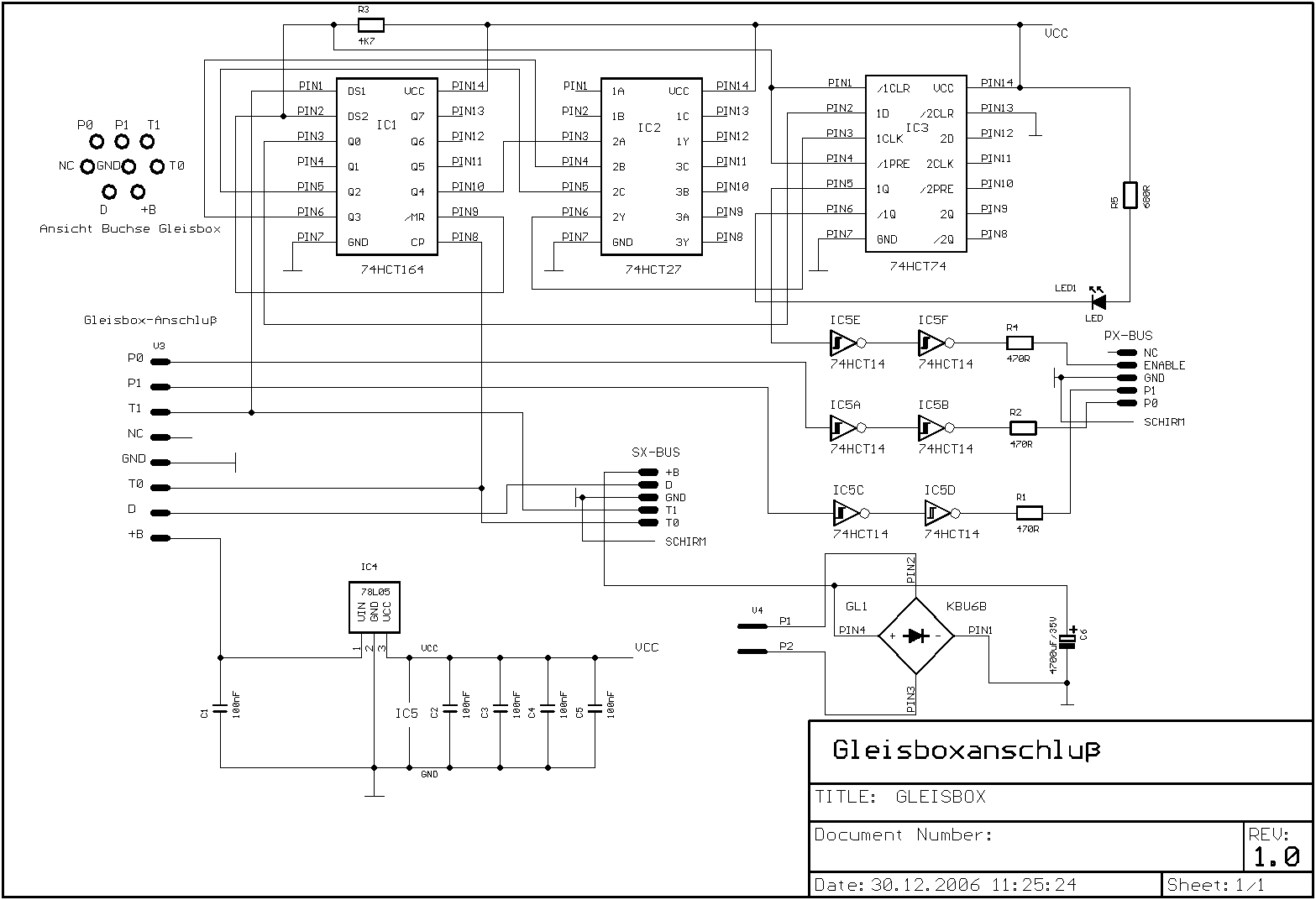
Boosteranschluß TRIX Gleisbox

Am 8 - poligen Mini-DIN Anschluß der Gleisbox liegt zwar ein kompletter SX-Bus, aber beim PX-Bus fehlt das ENABLE-Signal, um die Gleisspannung der angeschlossenen Booster ein-/auszuschalten. Deshalb hier eine kleine Schaltung, um das fehlende ENABLE Signal aus dem SX-Bus zu erzeugen. Da die PX-Bus-Signale auch nicht so besonders sind, werden sie mittels einiger Inverter verstärkt und die Flankensteilheit erhöht, um auch längere Leitungen und mehrere Booster treiben zu können.

Die Strombelastbarkeit der Gleisbox ist auch nicht sehr hoch, daher empfiehlt es sich, die Geräte, die am SX-Bus angeschlossen werden, aus einem gesonderten Trafo zu versorgen. Deshalb ist hier noch ein Gleichrichter und Elko eingebaut, die die +B Leitung des SX-Busses speisen.

Da ein Mini-DIN-Stecker doch sehr klein ist, ist es etwas schwierig, an einen Stecker sieben Kabel anzulöten. Um sich diese Arbeit zu ersparen, kann man ein entsprechendes Kabel kaufen und die nicht benötigte Buchse abschneiden. Diese Kabel sind eigentlich für die serielle Schnittstelle eines Apple Rechners. Bezugsquelle z.B. : www.partsdata.de , Artikelnummer M-2405


TRIX Gleisbox als Booster

Wenn man noch eine Gleisbox der Trix Mobile Station herumliegen hat, kann man diese als Booster verwenden. Man braucht ein Kabel mit normalem 5-poligen DIN Stecker auf einen 8-poligen Mini DIN Stecker. Hier die Belegung (Ansicht Lötseite der Stecker) :



Die PX-Bus Signale einer Selectrix Zentrale werden in die Gleisbox eingespeist, der Prozessor der Gleisbox erkennt die P0/P1 Signale und arbeitet als Booster, ein Anschluss einer Mobile Station ist nicht mehr möglich.
Das rote Kabel der Gleisbox entspricht dem roten Gleisanschluss der Zentrale, das braune dem blauen Gleisanschluss der Zentrale. br>

Erweiterung TRIX Gleisbox

Ich habe mal aus Spass und Interesse eine Platine für die Gleisbox gemacht, sie hat dann eine normale DIN Buchse für den SX-Bus und für den PX-Bus, dieser hat auch das sonst fehlende Enable Signal. Die Signale an den Buchsen sind gepuffert. Eine LED zeigt an ob die Gleisspannung an ist (LED leuchtet dann).