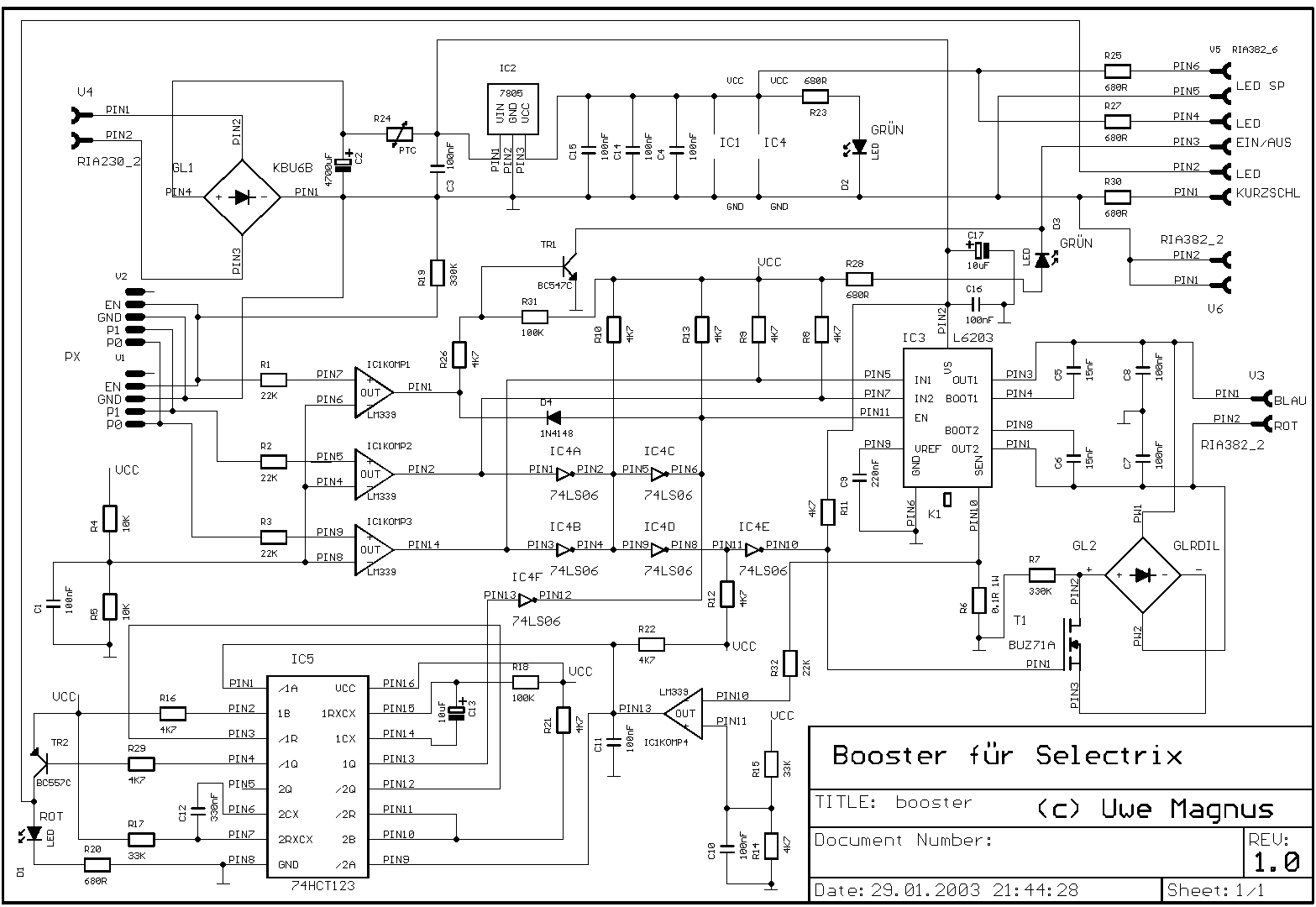
Schaltplan Booster



Schaltplan Booster

zurück