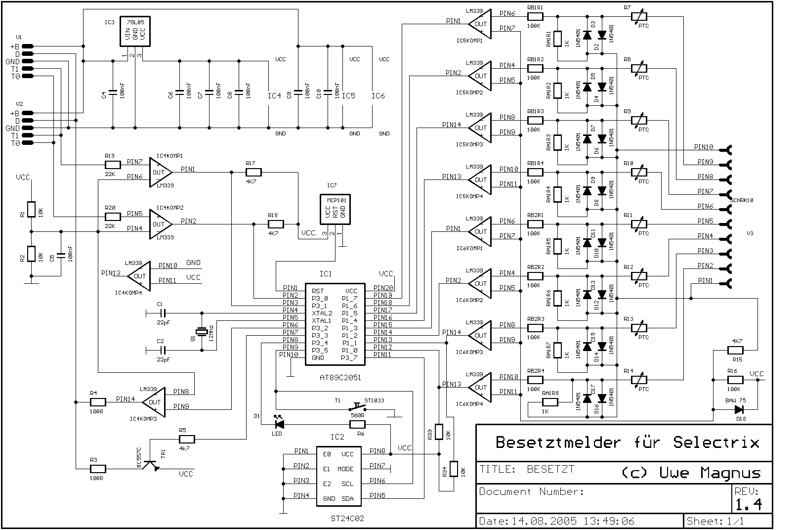
Schaltplan Besetztmelder



Schaltplan Besetztmelder

zurück